- ПроизводительПетроИнструмент
Свяжитесь с нами и мы расскажем вам о полном ассортименте. Контакты
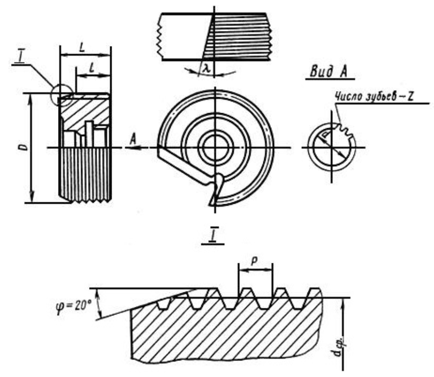
Назначение гребенок круглых к винторезным самооткрывающимся головкам
Гребенки круглые к винторезным самооткрывающимся головкам по ГОСТ 21761-76 предназначены для формирования метрической, трубной и дюймовой цилиндрической резьбы на трубах и круглом прокате различных диаметров.
Гребенки изготавливаются из быстрорежущей стали Р6М5, но также возможно изготовить гребенки из других марок инструментальных сталей таких как Р12, Р18, Р6М5К5.

Подбор гребенок круглых к винторезным самооткрывающимся головкам
Подбор гребенки осуществляется в соответствии с требуемыми размерами и характеристиками, указанными в ГОСТ 21761-76. С содержанием ГОСТа вы можете ознакомиться во вкладке товара в разделе "Файлы".
Информация для заказа гребенки круглой
1 Откройте ГОСТ 21761-76 (вкладка "Файлы") и изучите предлагаемые размеры и характеристики.
2 Выберите гребенку с требуемыми параметрами.
3 Отправьте нам заявку с указанием обозначения гребенки и требуемого количества.
НАПРИМЕР: Гребенка 2661-0701 ГОСТ 21761-76 в количестве 10 шт.
Нет отзывов об этом товаре.
ОПЛАТА ТОВАРА
Мы принимаем платежи только по безналичному расчету. Наши реквизиты - "Реквизиты"
ДОСТАВКА ТОВАРА
Получение товара
При самовывозе товара юридическими лицами при себе иметь доверенность! Адрес склада: г. Могилев, ул. Космонавтов 37, офис 200
